仪器仪表类
货号: #OT 18 FM 800 N3-B4
库存: 0件
规格选项:
DI-SORIC(德硕瑞/德森克)是德国工业自动化领域的领先企业,专注于传感器、工业光源及视觉系统的研发与生产,拥有30年行业经验,服务全球市场。
DI-SORIC成立于20世纪90年代,总部位于德国斯图加特东部的乌尔巴赫(Urbach),研发

与生产基地设于德国吕登沙伊德(Lüdenscheid)。截至2025年,公司员工超过200人,客户覆盖中小企业、国际集团及汽车制造商,并在全球设有40余家授权经销商。
核心产品
DI-SORIC产品线分为三大类:

传感器
接近开关(电感式、电容式)。
光电传感器(槽型、角型、对射式等)。
特殊场景传感器(超声波、倾角、雷达、磁场检测等)。
工业光源与视觉系统
LED工业光源(环形、条形、UV等)。
视觉条码识别器及激光扫描系统。

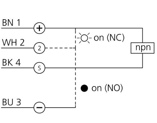
高能漫反射光电传感器是将发射器和接收器放在一个外壳中的经济型传感器。工作距离以及目标和背景的亮度都会影响目标识别,暗背景前面的明亮目标很好识别。
角型光学元件
通用的固定方式
极小的安装深度
灵敏度可调
开关状态显示 LED
塑料外壳

其他型号
OT 18 FKR 600 N3-B4
OT 18 FKR 600 P3-B4
OT18FMR600N3
OT 18 FMR 600P3
OT 18 FMR 600 N3-B4
OT 18 FMR 600 P3-B4
OT 18 FK 800N3
OT18FK800P3
OT 18 FK 800 N3-B4
OT 18 FK 800 P3-B4