仪器仪表类
货号: #KLEMR-Q38K-1-24
库存: 0件
规格选项:
DI-SORIC(德硕瑞/德森克)是德国工业自动化领域的领先企业,专注于传感器、工业光源及视觉系统的研发与生产,拥有30年行业经验,服务全球市场。

DI-SORIC成立于20世纪90年代,总部位于德国斯图加特东部的乌尔巴赫(Urbach),研发
与生产基地设于德国吕登沙伊德(Lüdenscheid)。截至2025年,公司员工超过200人,客户覆盖中小企业、国际集团及汽车制造商,并在全球设有40余家授权经销商。
核心产品
DI-SORIC产品线分为三大类:
传感器
接近开关(电感式、电容式)。
光电传感器(槽型、角型、对射式等)。
特殊场景传感器(超声波、倾角、雷达、磁场检测等)。
工业光源与视觉系统
LED工业光源(环形、条形、UV等)。
视觉条码识别器及激光扫描系统。

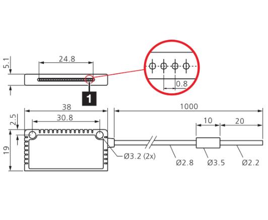
di-soric 可提供一系列光纤产品及适用的附件。产品组合主要包括具有防折叠功能的不锈钢测头、具有光带的用于区域监测的测头、以及用于识别极小零件的光纤。
用于聚焦的集成光学元件
识别小零件
防弯折的光纤
附带割刀

其他型号
KLT-M6-T2-0.56-L20
KLT-M6-T2-0.5-L35
KLT-M6-T2-1 .5NB
KL E-M3-T2-0.5
KLE-M3-T2-1
KLE-M4-T2-0.5
KLE-M4-T2-1
KLE-M6-T2-1
KL ER-M4-T2-0.5
KL ER-M4-T2-1