仪器仪表类
货号: #OGU 121 G3-T3/V4A
库存: 0件
规格选项:
DI-SORIC(德硕瑞/德森克)是德国工业自动化领域的领先企业,专注于传感器、工业光源及视觉系统的研发与生产,拥有30年行业经验,服务全球市场。

DI-SORIC成立于20世纪90年代,总部位于德国斯图加特东部的乌尔巴赫(Urbach),研发
与生产基地设于德国吕登沙伊德(Lüdenscheid)。截至2025年,公司员工超过200人,客户覆盖中小企业、国际集团及汽车制造商,并在全球设有40余家授权经销商。
核心产品
DI-SORIC产品线分为三大类:

传感器
接近开关(电感式、电容式)。
光电传感器(槽型、角型、对射式等)。
特殊场景传感器(超声波、倾角、雷达、磁场检测等)。
工业光源与视觉系统
LED工业光源(环形、条形、UV等)。
视觉条码识别器及激光扫描系统。

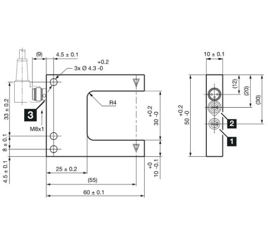
OGU 槽型光电开关配有 V4A 不锈钢外壳,尤其可在制药、饮料和食品工业领域使用,能满足使用腐蚀性药剂进行简单、可靠清洁的特别要求。
用于制药和食品饮料行业的坚固不锈钢外壳
4 种作为 IO-Link 参数的运行模式
作为 IO-Link 参数的吸合/切断延迟
利用 IO-Link 进行诊断
灵敏度可调
高开关频率
亮通/暗通
明亮的环形 LED
防护等级高

其他型号
OGUL 021 G3-T3
OGUL 031 G3-T3
OGUL 031 G3-T3/V4A
OGUL 051 G3-T3
OGUL 051 G3-T3/V4A
OGUL 081 G3-T3
OGUL 081 G3-T3/V4A
OGUL 121 G3-T3
OGUL 121 G3-T3/V4A