仪器仪表类
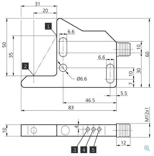
货号: #OGLP 080 G3-T3
库存: 0件
规格选项:
DI-SORIC(德硕瑞/德森克)是德国工业自动化领域的领先企业,专注于传感器、工业光源及视觉系统的研发与生产,拥有30年行业经验,服务全球市场。

DI-SORIC成立于20世纪90年代,总部位于德国斯图加特东部的乌尔巴赫(Urbach),研发
与生产基地设于德国吕登沙伊德(Lüdenscheid)。截至2025年,公司员工超过200人,客户覆盖中小企业、国际集团及汽车制造商,并在全球设有40余家授权经销商。
核心产品
DI-SORIC产品线分为三大类:

传感器
接近开关(电感式、电容式)。
光电传感器(槽型、角型、对射式等)。
特殊场景传感器(超声波、倾角、雷达、磁场检测等)。
工业光源与视觉系统
LED工业光源(环形、条形、UV等)。
视觉条码识别器及激光扫描系统。

di-soric 的高性能角型光电开关拥有更高的功能储备。这款带污染指示灯的设备可将清洁周期减少到最低程度。
带 LED 显示的智能污染输出端
高功能预留
对污染极度不敏感
在 x、y 和 z 方向上可逼近光轴
通用装配
稳固的金属外壳

其他型号
OGL 50/31 P6L -IBS
OGL 50/31 P6L -RIBS
OGL 55/54 P6L-IBS
OGL P 050 G3-T3
OGLP 080 G3-T3
OGLP 120 G3-T3