仪器仪表类
货号: #OGUTI 005/50 FG3K-TSSL
库存: 0件
规格选项:
DI-SORIC(德硕瑞/德森克)是德国工业自动化领域的领先企业,专注于传感器、工业光源及视觉系统的研发与生产,拥有30年行业经验,服务全球市场。

DI-SORIC成立于20世纪90年代,总部位于德国斯图加特东部的乌尔巴赫(Urbach),研发
与生产基地设于德国吕登沙伊德(Lüdenscheid)。截至2025年,公司员工超过200人,客户覆盖中小企业、国际集团及汽车制造商,并在全球设有40余家授权经销商。
核心产品
DI-SORIC产品线分为三大类:
传感器
接近开关(电感式、电容式)。
光电传感器(槽型、角型、对射式等)。
特殊场景传感器(超声波、倾角、雷达、磁场检测等)。
工业光源与视觉系统
LED工业光源(环形、条形、UV等)。
视觉条码识别器及激光扫描系统。
安全与附件
光幕、安全控制器。
连接电缆、装配支架等配套设备。

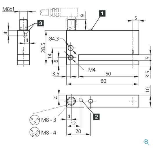
LI 测量型光幕用于目标测量以及要求苛刻的测量和识别任务。最重要的特征是分辨率高、响应时间短、以及便于整合的纤细型式。
带评估电子设备 LVE .../ LVX ... 测量版和开关版
带评估电子设备 LVB ... 开关版
水平或对角线光束评估
紧凑的型式
铝外壳
易于装配

其他型号
LVB-24VDC
LVB-230VAC
LVE
LVE-PBI
LVE-ALX
LVE-AL M/PBI
LVE-O16
LVE-PNI
LVX
LVX-PBI