仪器仪表类
货号: #OGUTI 005/100 FP3K-TSSL
库存: 0件
规格选项:
DI-SORIC(德硕瑞/德森克)是德国工业自动化领域的领先企业,专注于传感器、工业光源及视觉系统的研发与生产,拥有30年行业经验,服务全球市场。

DI-SORIC成立于20世纪90年代,总部位于德国斯图加特东部的乌尔巴赫(Urbach),研发
与生产基地设于德国吕登沙伊德(Lüdenscheid)。截至2025年,公司员工超过200人,客户覆盖中小企业、国际集团及汽车制造商,并在全球设有40余家授权经销商。
核心产品
DI-SORIC产品线分为三大类:

传感器
接近开关(电感式、电容式)。
光电传感器(槽型、角型、对射式等)。
特殊场景传感器(超声波、倾角、雷达、磁场检测等)。
工业光源与视觉系统
LED工业光源(环形、条形、UV等)。
视觉条码识别器及激光扫描系统。
安全与附件
光幕、安全控制器。
连接电缆、装配支架等配套设备。

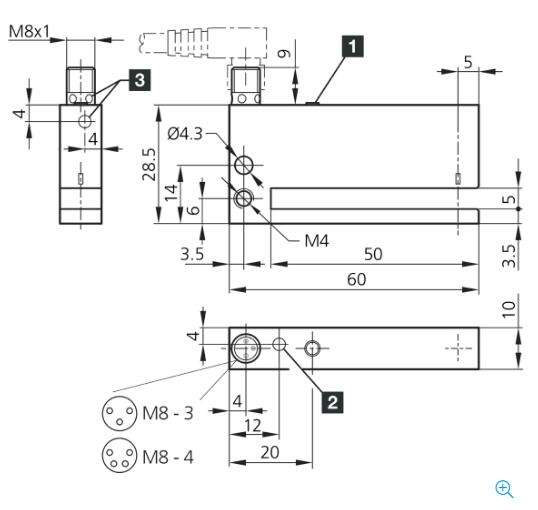
OGUTI 光学标签传感器是检测纸质标签的经济解决方案。其特点在于极高的重复精度和再现性,并且能实现最大输送带速度。可以借助自动示教,直观、迅速地使其适用于新材料。
快速、简单、安全:通过示教按钮调整灵敏度
在正在进行的过程中自动示教
带按钮锁定功能的远程示教可能性
通过 LED 发出示教操作的信号
探测各种各样的标签
高功能预留
可集成在剥标板中
