仪器仪表类
相关产品
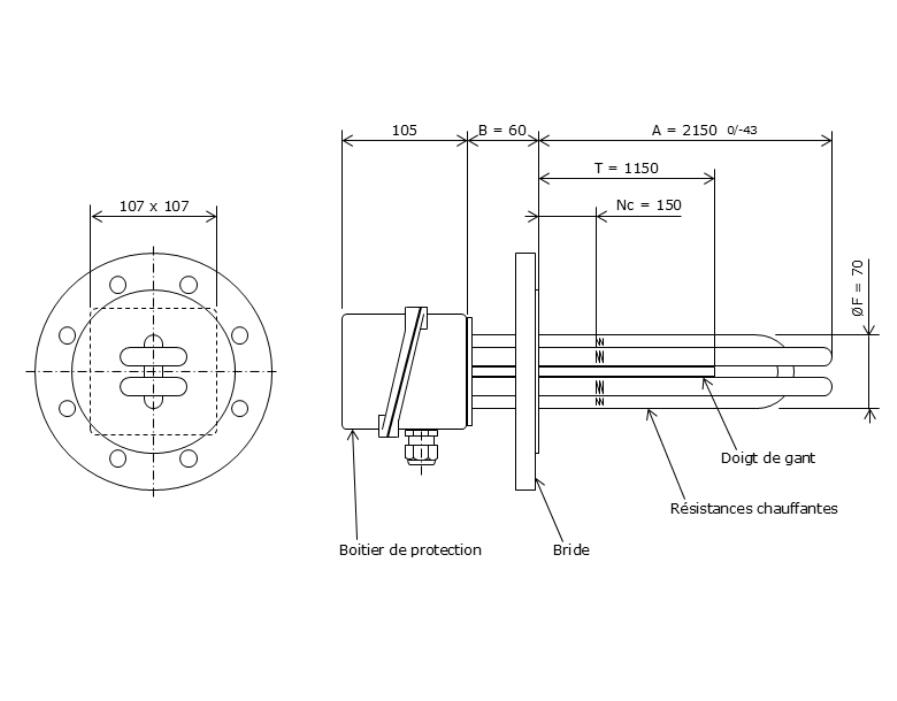
货号: #THERMOPLONGEUR SUR BRIDE DN80 - 4500 W / 400 V TRI - 12W/CM2 - AVEC BOITIER
库存: 0件
规格选项:
Vulcanic 是一家专注于热能解决方案的法国知名工业设备制造商。
其核心业务是设计、生产和销售高效的工业加热、冷却和温度控制系统。

主要产品领域:
工业加热器:包括空气加热器(管状、翅片管式、风道式)、辐射加热器、液体加热器等,应用于各种工艺加热、空间供暖和防冻。
换热器:如空气/空气换热器、空气/液体换热器等,用于余热回收和能量效率提升。
温度控制单元与系统:提供精确的工艺温度控制解决方案。
定制化解决方案:根据客户特定需求设计和制造非标热工设备。

应用行业:
其产品广泛应用于众多工业领域,包括但不限于:
汽车制造
化工与石化
食品与饮料加工
制药
塑料与橡胶加工
纺织
电子
建材(如玻璃、陶瓷)
环保(如废气处理)
厂房与仓库供暖/通风
